C type PIN type
SCREW type
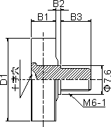
Roller No. D1 SCREW B1 B2 B3
C-19S 19 M6-1 6.6 1.6 8.0
C-22S 22 M6-1 6.6 1.6 8.0

 Depend on a stock position, minimum quantity might be applied for few models.
Made in Japan


MATEX SEIKO & CO., LTD.  2-3-9, Nihonbashi-higashi
Naniwa-ku, Osaka 556-0006 JAPAN
Tel: 6-6648-6801    Fax: 6-6648-6811